Complete installatieset voor wandcloset
- voorwandmontageset, spoelreservoir 6-9 l
- 2 wandhoekstukken met bevestigingsmateriaal
- Bau Ceramic keramisch wandcloset met geluiddempingsset
- Bau Ceramic softclose zitting
- Skate Air dual flush bedieningsplaat
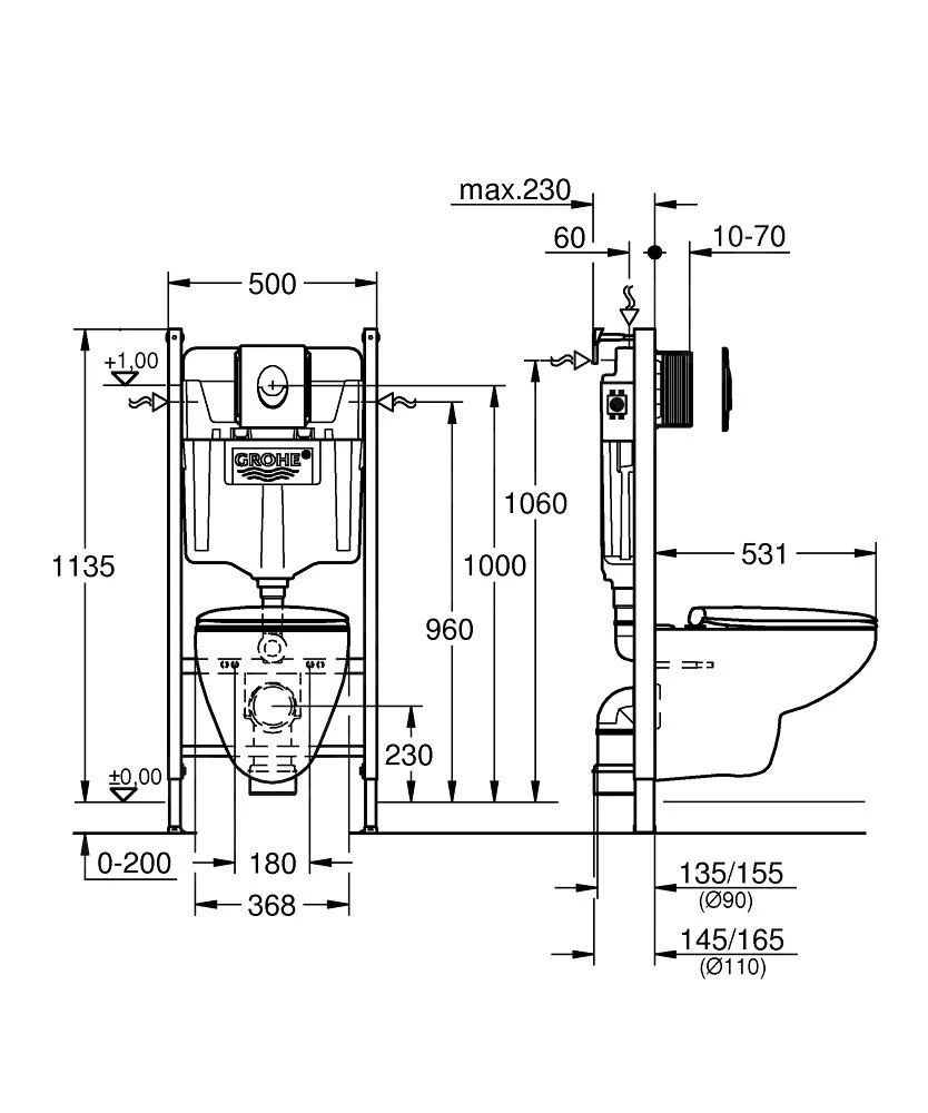
Solido Compact voor wandcloset,spoelreservoir GD 2
- opbouwhoogte 1,13 m
- voor een montage aan de wand of in een lichte dwarsbalk
- stalen frame, poedergelakt, zelfdragend
- voor gipsplaat
- vaste objectaansluiting
- bevestigingsmateriaal
- snelle afstelling, afsluitbaar
- 2 beugels voor WC
- bevestiging van keramisch sanitair
- hartafstand 180/230 mm
- afvoerbocht Ø 90 mm
- in de diepte instelbaar
- reductie Ø 90/110 mm
- aan- en afvoersysteem
- spoelreservoir van 6 – 9 l (in de fabriek ingesteld op 6 l – 3 l)
- pneumatische afvoervenklep heeft 3 gebruiksmodi: 2-voudig spoelen of start/stop of ononderbroken (alleen start)
- mogelijkheid tot aansluiting op de watertoevoer van links/van rechts/van achteren of van boven
- armatuurgroep I – geringe geluidsproductie
- geïsoleerd tegen condenswater
- geen gereedschap nodig voor installatie
- controlespil inclusief beveiliging tijdens de opbouwfase
- wateraansluiting DN 15 met geïntegreerd hoekstopkraan en schroefverbinding, geen gereedschap nodig
- voor verticaal of horizontaal gebruik
- installatie ter plaatse
Bau Ceramic wandcloset met rimless
- randloze spoeling
- achterafvoer
- diepspoel
- materiaal: geglazuurd glad keramiek
- kleur: alpine wit
Bau Ceramic closetzitting met deksel en SoftClose functie
- materiaal: Duroplast
- kleur: alpine wit
- roestvrijstalen scharnieren
- eenvoudig te demonteren
Skate Air bedieningsplaat
- voor dual flush spoeling of start/stop-functie
- voor pneumatisch afvoerventiel AV1
- verticale assemblage
- afmetingen: 156 ×197 mm
- materiaal: ABS, kleur alpine wit
- GROHE EcoJoy technologie voor een gering waterverbruik en een perfecte doorstroming
- verchroomde GROHE StarLight afwerking
Dit product kan bij u zonder originele verpakking geleverd worden. De reden is bescherming van product tegen eventuele schade tijdens transport.











































Beoordelingen
Er zijn nog geen beoordelingen.