Ingesloten bij de montageset voor het Grohe Solido wandcloset zit een keramisch wandcloset. Hiervoor krijgt de klant alle benodigde achtergrondinformatie, zodat de installatie eenvoudig is en het toilet zal jarenlang zijn functie vervullen.
Voor de set is gekozen voor het wandcloset Serel SM26 van sanitair keramiek. Deze beschikt over de Rimless randloze technologie voor efficiënt spoelen. Het toilet is tevens voorzien van een toiletzitting met deksel, welke met het hydraulisch SoftClose systeem op het toilet wordt gemonteerd.
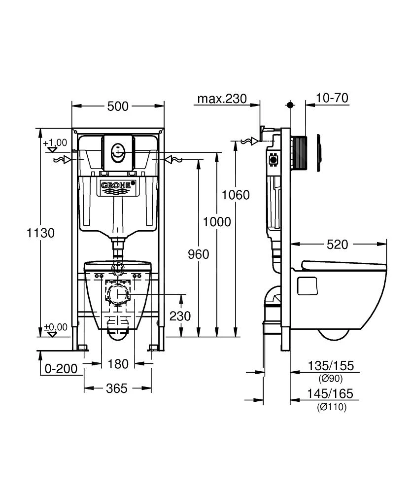
De Solido Compact inbouwmodule is uitgevoerd met een spoelreservoir GD 2. U kunt kiezen voor voorwandmontage of voor montage in een lichte scheidingswand. Installatie van deze module is tevens mogelijk in gipskartonwanden en bevat een aanvoer- en afvoerset.
De Grohe Solido set bevat ook een Start-bedieningspaneel voor DualFlush, 2 mogelijkheden van doorspoelen of de start/stop-functie.
Complete installatieset voor wandcloset
- voorwandmontageset met spoelreservoir 6-9 l
- Serel SM26 keramisch wandcloset met SoftClose zitting
- Start dual flush bedieningsplaat
Solido Compact voor wandcloset, spoelreservoir GD 2
- opbouwhoogte 1,13 m
- voor een montage aan de wand of in een lichte dwarsbalk
- stalen frame, poedergelakt, zelfdragend
- voor gipsplaat
- vaste objectaansluiting
- bevestigingsmateriaal
- snelle afstelling, afsluitbaar
- 2 beugels voor WC
- bevestiging van keramisch sanitair
- hartafstand 180/230 mm
- afvoerbocht Ø 90 mm
- in de diepte instelbaar
- reductie Ø 90/110 mm
- aan- en afvoersysteem
- spoelreservoir van 6 – 9 l (in de fabriek ingesteld op 6 l – 3 l)
- pneumatische afvoervenklep heeft 3 gebruiksmodi: 2-voudig spoelen of start/stop of ononderbroken (alleen start)
- mogelijkheid tot aansluiting op de watertoevoer van links/van rechts/van achteren of van boven
- armatuurgroep I – geringe geluidsproductie
- geïsoleerd tegen condenswater
- geen gereedschap nodig voor installatie
- controlespil inclusief beveiliging tijdens de opbouwfase
- wateraansluiting DN 15 met geïntegreerd hoekstopkraan en schroefverbinding, geen gereedschap nodig
- voor verticaal of horizontaal gebruik
- installatie ter plaatse
- 2 wandhoekstukken met bevestigingsmateriaal
Serel wandcloset
- materiaal: sanitairkeramiek
- kleur: alpine wit
- Rimless technologie
closetzitting met deksel en SoftClose functie
- materiaal: Duroplast
- kleur: alpine wit
- afneembaar
- eenvoudig te demonteren
Start bedieningspaneel
- voor dual flush spoeling of start/stop-functie
- voor pneumatisch afvoerventiel
- verticale assemblage
- afmetingen: 156 ×197 mm
- materiaal: ABS
- GROHE StarLight chroom oppervlak
- GROHE EcoJoy technologie voor een gering waterverbruik en een perfecte doorstroming
Dit product kan bij u zonder originele verpakking geleverd worden. De reden is bescherming van product tegen eventuele schade tijdens transport.



























Beoordelingen
Er zijn nog geen beoordelingen.